Equal Angle Steel
Angle steel can be composed of greater than a few stress-bearing components in accordance to awesome wishes of the structure, and can moreover be used as a connector between components.
It is substantially used in a quantity of developing constructions and engineering structures, such as house beams, bridges, transmission towers, lifting and transportation machinery, ships, industrial furnaces, response towers, container racks, warehouse shelves, etc.
Description
Angle metallic is a carbon structural metallic used in construction. It is a convenient cross-section steel material. It is in popular used for steel elements and manufacturing facility establishing frames. It requires pinnacle weldability, plastic deformation performance, and positive mechanical electrical energy at some stage in use. The raw material billet for standpoint metallic manufacturing is a low-carbon rectangular steel billet, and the accomplished point of view metal is delivered in a hot-rolled, normalized, or hot-rolled state.
Property & Specifications:
Greater weldability
Good Plastic deformation properties
Dimension | 10*10mm-200*200mm |
Standard | GB ASTM, JIS, SUS, DIN, EN etc |
Material | Q195-Q420 Series |
Technique | Hot rolled |
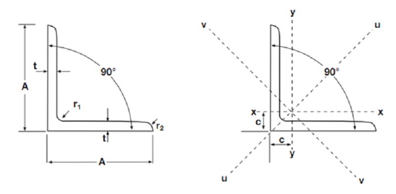
- Commonly used attitude metal specs are expressed in millimeters with facet width × facet width × aspect thickness, such as "∟30×30×3", which ability equilateral perspective metal with a aspect width of 30 mm and a aspect thickness of three mm.
It is primarily divided into two types: equilateral attitude metal and unequal perspective steel. Among them, unequal attitude metal can be divided into two types: unequal aspects and equal thickness, and unequal aspects and unequal thickness.
The specs of attitude metal are expressed through the dimensions of facet size and facet thickness. At present, home perspective metal specs vary from two to 20, with the wide variety of centimeters of aspect size being the number. The same-angle metal regularly has two to 7 distinct aspect thicknesses.
Generally, these with a facet size of 1-2.5cm or extra are large-angle steels, these with a facet size of 1-2.5 cm-5 cm are medium-sized attitude steels, and these with a facet size of much less than 5cm are small-angle steels.
The shipping size of attitude metal is divided into two types: constant size and double length. The constant size choice vary of home perspective metal degrees from three to 9 m relying on the specification number.
Four ranges: 4-12m, 4-19m, 6-19m.
The cross-sectional peak of the unequal-angle metal is calculated in accordance to the lengthy facet width of the unequal-angle steel.
Packing & Delivery




